9МЦС-90; 9МЦС-90Ф - цилиндрический соосный мотор-редуктор

9МЦС-90; 9МЦС-90Ф
9МЦС-90; 9МЦС-90Ф
описание серии
Мотор-редукторы 9-ой серии являются механизмами общемашино-строительного применения, предназначены преобразования электрической энергии в механическую(вращательное движение выходного вала). Корпус и все элементы зубчатых передач выполнены из высококачественных материалов с применением современных технологий, что позволяет повысить несущую способность, КПД и улучшить шумовые характеристики зубчатых зацеплений. Технические характеристики мотор-редукторов соответствуют требованиям ГОСТ 31591-2012.
Типы размеров
скачать файлом Заказать

9МЦС-90; 9МЦС-90Ф

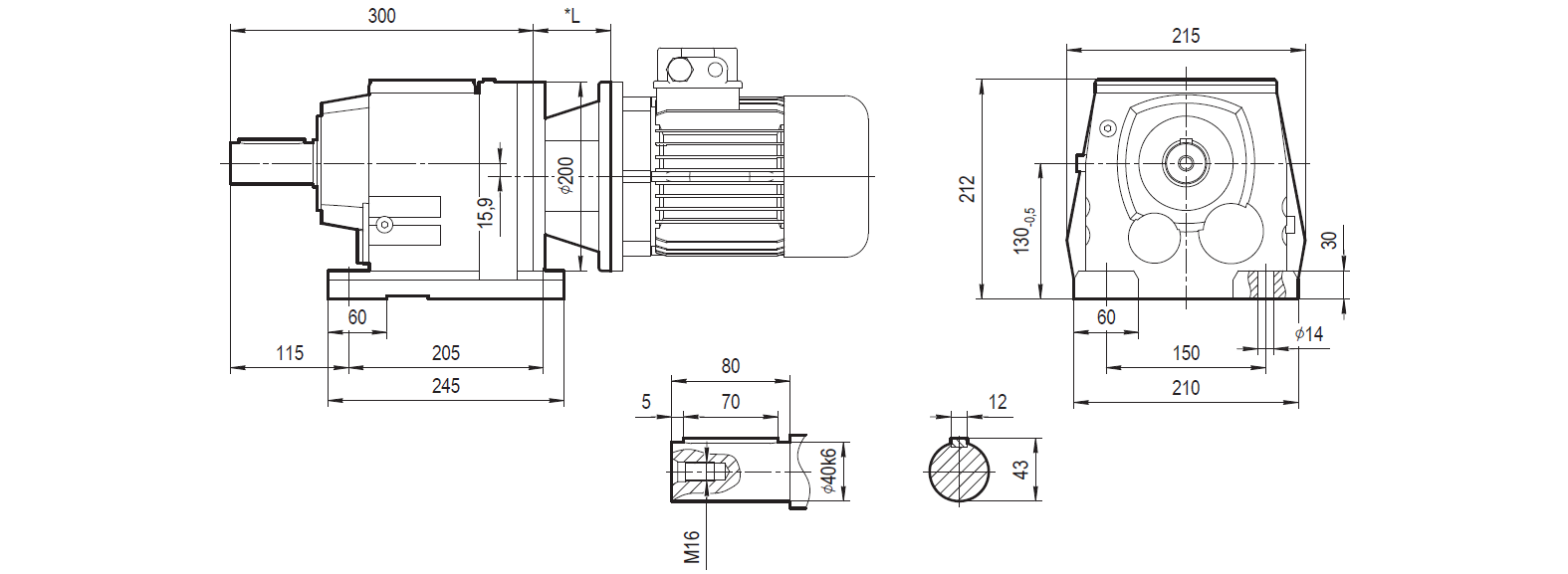
Габаритные и присоединительные размеры мотор-редуктора 9МЦС-90
9МЦС-90; 9МЦС-90Ф
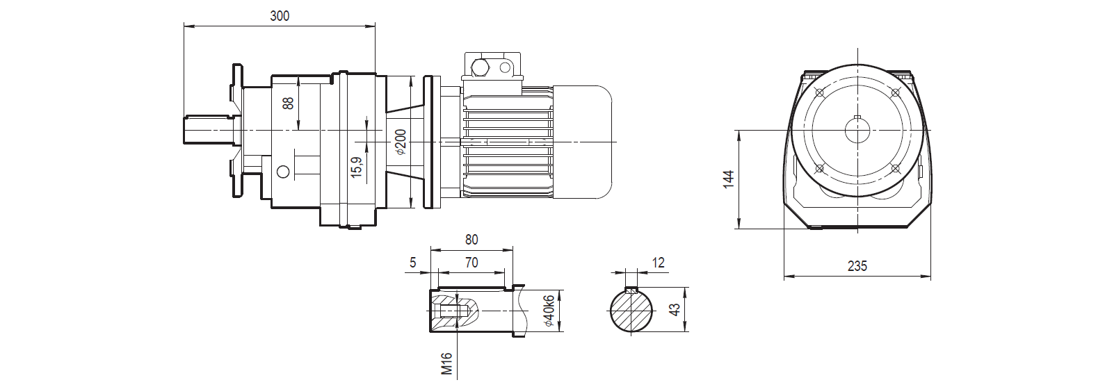
Габаритные и присоединительные размеры мотор-редуктора 9МЦС-90Ф...
9МЦС-90; 9МЦС-90Ф
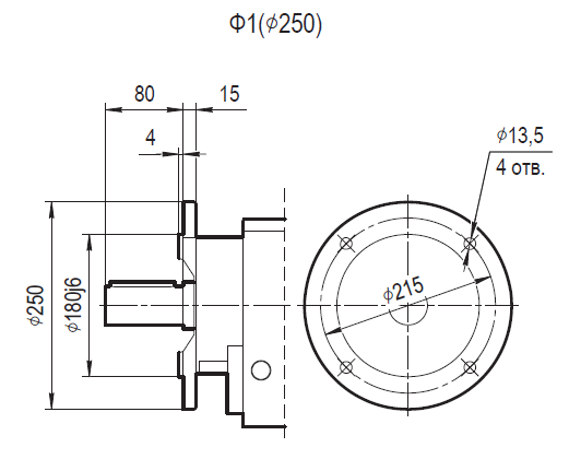
Выходной фланец Ф1
9МЦС-90; 9МЦС-90Ф
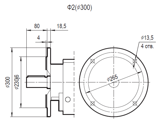
Выходной фланец Ф2
9МЦС-90; 9МЦС-90Ф
Переходник под электродвигатель
9МЦС-90; 9МЦС-90Ф

Эксплуатационные характеристики

9МЦС-90; 9МЦС-90Ф

Условные обозначения, принятые в таблице:

i - передаточное число;

n2 - частота вращения выходного вала, об/мин;

Мн - номинальный крутящий момент, Нм;

Pn - номинальная передаваемая мощность, кВт;

Fr - радиальная нагрузка на выходном валу, Н.

Система обозначений

Условное обозначение
9МЦС-90; 9МЦС-90Ф
Монтажное положение (исполнение на лапах)
9МЦС-90; 9МЦС-90Ф
Монтажное положение (фланцевое исполнение)
9МЦС-90; 9МЦС-90Ф

Консультация

img
Технические специалисты компании ответят на ваши вопросы и подготовят индивидуальное коммерческое предложение
Нажимая кнопку «Отправить» вы даёте свое согласие с политикой конфиденциальности
© 2025 Общество с ограниченной ответственностью Производственное объединение ЭЛМА