1ЦУ-100 - редуктор цилиндрический одноступенчатый горизонтальный

1ЦУ-100
описание серии

Редуктор цилиндрический одноступенчатый узкий горизонтальный общемашиностроительного применения серии 1ЦУ предназначен для увеличения крутящего момента и уменьшения частоты вращения различных машин и механизмов.


Типы размеров
скачать файлом Заказать

1ЦУ-100

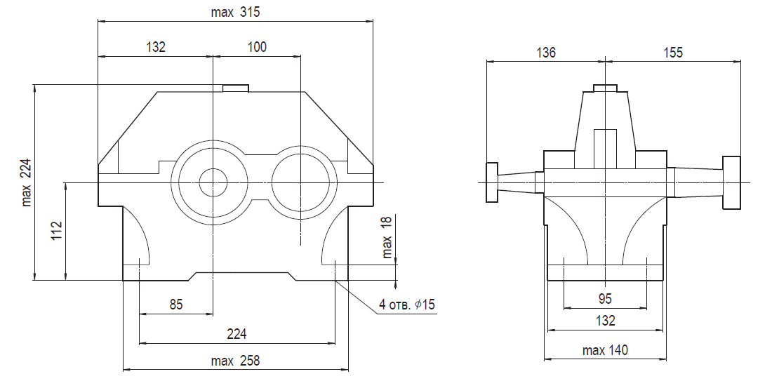
Габаритные и присоединительные размеры редуктора 1ЦУ-100
1ЦУ-100
Размеры концов входных (быстроходных) валов
1ЦУ-100
1ЦУ-100
Размеры концов выходных (тихоходных) валов
1ЦУ-100
1ЦУ-100

Эксплуатационные характеристики

1ЦУ-100

Система обозначений

Условное обозначение
1ЦУ-100
Варианты сборки редуктора
1ЦУ-100

Консультация

img
Технические специалисты компании ответят на ваши вопросы и подготовят индивидуальное коммерческое предложение
Нажимая кнопку «Отправить» вы даёте свое согласие с политикой конфиденциальности
© 2025 Общество с ограниченной ответственностью Производственное объединение ЭЛМА